Bautipp TFK - ELEKTRISCHE FOKUSSIERUNG FÜRS TAL

Mit freundlicher Genehmigung von Rudi Prinz Januar 2001, aktualisiert Juli 2002


Ein Selbstbautipp von Rudi Prinz

Auch wenn die TAL-Montierung recht stabil gebaut ist, beim Scharfstellen wackelt halt die ganze Geschichte doch oft recht unangenehm. Bei geringerer Vergrößerung meist nicht so schlimm, aber eine berührungslose Fokussierung ist halt eine feine Sache. Vor allem bei hoher Vergrößerung und beim Fotografieren, egal ob mit SLR-Kamera, Webcam oder Digitalkamera. Die heikelste Sache ist die Befestigung des Motors, es gibt vielerlei Möglichkeiten, meine Lösung stell' ich hier vor.

 

Zunächst einmal die wichtigsten Bauteile:
Wenn Bestellnummer angegeben sind, beziehen sich diese auf Conrad Electronic, Hirschau

- Getriebemotor RB 35, 12 V, 60 UpM, 1:100 Übersetzung (Bestell-Nr. 227560; 12,76 €)*
- Schneckenradsatz 1:30 (Bestell-Nr. 236900; 8,67 €)
- Motorumpolrelais 12 V (Bestell-Nr. 505013; 5,09 €)
- 2 Stück Dioden z.B. 1 N 4003 (Bestell-Nr. 162230 0,08€)
- Flacheisen etwa 75x25x5 mm
- Schlauchschelle für Motorbefestigung Durchmesser: 40 mm (540196; 0,56 €)

* Mit dem angegebenen Motor dreht sich die Fokussierwelle mit 2 Umdrehungen pro Minute. Dadurch läßt sich sehr feinfühlig scharfstellen. Wer allerdings so gut wie nie mit dem Teleskop fotografiert und Okulare hat, mit sehr unterschiedlicher Fokuslage kann das etwas zu langsam sein. Hier wäre evtl. ein schnellerer Motor angebracht. Conrad bietet den ansonsten baugleichen Motor mit 120 UpM (Bestell-Nr. 227552; 12,76 €) an, dann geht's doppelt so schnell.

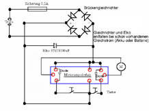
Was man sonst noch braucht, hängt davon ab, ob man bereits am Teleskop was Elektrisches gebastelt hat. Wer EZB1 und die Handsteuerbox EZB2 bereits hat, braucht nur 2 Taster in die Box einzubauen (hoffentlich sind noch zwei Adern des Kabels frei) ((Hallo Rudi, bei EZB3 sind noch 3 Adern frei, Armin ;-)), diese an das Motorumpolrelais angeschlossen und dann weiter zum Getriebemotor. So habe ich das gemacht, ansonsten sucht man sich im Katalog ein angenehmes Gehäuse aus. Zwei Taster und ein dreiadriges Kabel mit ca. 2 Meter Länge werden hierfür noch gebraucht. Wenn man nun weiter mit dem Trafo arbeitet, braucht man noch einen Brückengleichrichter (z.B.  501433; 0,77 €) mit Elektrolyt-Kondensator (z.B. 472549; 0,49 €). Ich hab dann noch einen Sicherungshalter (533866; 0,26 €) mit Sicherung (0,5 Ampere) eingeflickt. Ich hab's nun mal immer schön abgesichert. Diese Teile zusammen mit dem Motorumpolrelais und einer Kontroll-LED habe ich zusammen auf einer Platine (ich ätze mir die Platinen selber) im Motorgehäuse untergebracht. Man kann's natürlich auch so machen, wie es Armin beim Bauplan zu EZB3 gemacht hat. Zum Fokusmotor braucht man noch ein Stück 2-adriges Kabel, wobei ich dieses an beiden Seiten mit Cinch-Stecker bzw. -buchsen abtrennen kann. Kommt ja desöfteren vor, daß man den Tubus abschraubt, da würde ein festmontiertes Kabel nur zu Wutausbrüchen führen. Hier der Schaltplan:

 

Nun wird's mechanisch: Befestigung des Motors:
Zunächst mal das rechte Handrad der Fokussierung abmontieren und siehe da, das kleine Zahnrad des Schneckenradsatzes passt genau auf die Welle. Die Welle ist etwas konisch, das Zahnrad hält somit schon einigermaßen gut. Damit diese richtig fest sitzt, kann man es mit einem Metallkleber noch zusätzlich befestigen. Noch besser, man dreht ein Gewinde rein (M3) und mit einer passenden Schraube sitzt das Zahnrad bombenfest (Bild oben).

Jetzt wird's schon schwieriger: Diese Schlauberger haben dem Motor eine 6 mm Welle und dem Schneckenrad eine 4 mm Bohrung gegeben. Habe nichts passenderes gefunden. War aber auch nicht weiter schlimm: Den Motor Strom gegeben, damit die Welle sich dreht, und diese dann an eine laufende Bandschleife gehalten. So erhält man eine sauber abgedrehte Welle, hat nur 2 Minuten gedauert. Mit Sekundenkleber habe ich das Schneckenrad noch zusätzlich am Motor befestigt. Als nächstes muß die untere Schraube des Okularauszuges durch eine um die Flacheisendicke längere ersetzt werden. Das Eisen habe ich zusätzlich mit einem doppelseitigen Klebeband befestigt, aber erst ganz zum Schluß anpappen! Im Bild sieht man, daß ich die Schlauchschelle angeschweißt habe, da muß man ganz vorsichtig umgehen, damit sich die Schraube derselbigen noch dreht.

Eine andere Möglichkeit hat sich Jan Timmerman aus den Niederlanden ausgedacht.
Bei Conrad-Electronic ist jetzt auch eine Motorhalterung für diese Motortypen erhältlich, welches aus einem einfachen Aluwinkel besteht. Auch wenn ich es für erheblich überteuert halte, könnte man damit was anfangen (Bestell-Nr. 220445; 5,09 €).

Mittlerweile geht's im Motorgehäuse etwas eng zu, aber immerhin hat TAL daran gedacht, daß Bastler etwas an Platz brauchen. Die drei Platinen sind für TFK, EZB1 und EZB3, den Deklinationsmotor sieht man auch im Hintergrund.

Rudi